| |
|
|
|
|
| |
|
|
|
|
| |
|
|
Описание |
|
| |
|
|
|
|
| |
|
|
Подъездный домофон с цифровой адресацией серии
PRO (Ver.d18 и выше)
- моноблок: предназначен для организации
санкционированного доступа в жилые многоквартирные здания.
Обеспечивает доступ (с включаемой функцией АНТИКЛОН) по
электронным идентификаторам (ключам или брелокам) по одному из
перечисленных протоколов:
DS1990A,
EM-Marine.
Применяется как для ремонтной замены домофонов и вызывных
панелей с ИК набором, так и для нового монтажа. |
|
| |
|
|
Имеет цифровую адресацию абонентских
устройств;
индикация трёхразрядная, семисегментная; встроенный
многофункциональный контроллер для работы по протоколу
iButton (серии DS1990A)
или для работы
по протоколу EM-Marine 125 кГц;
встроенные цепи защиты от подачи на контактор ТМ высокого
напряжения; конструктивно лицевая панель стальная,
общей толщиной 5.5 мм; клавиатура кнопочная двухпружиная, с
упорной стальной пластиной; подсветка
наборного поля клавиатуры; встроенные
электрические цепи управления и
размагничивания электромагнитного замка. |
|
| |
|
|
|
|
| |
|
|
Основные
технические характеристики |
|
| |
|
|
|
|
| |
|
|
Максимальное количество абонентских устройств: 255 |
|
| |
|
|
Вводимые номера:от 1 до 999 |
|
| |
|
|
Работа с идентификаторами одного из 2-х
стандартов: DS1990A
/ Em-Marine |
|
| |
|
|
Дополнительные режимы контроллера :
*АВТОСБОР*,
*АНТИКЛОН* |
|
| |
|
|
Максимальное количество записываемых ключей: заводская установка
- до 2044 |
|
| |
|
|
Напряжение питания: 15V(DC) |
|
| |
|
|
Потребляемый ток: не более 0.3А (без учёта ЭМ
замка) |
|
| |
|
|
Рабочая температура эксплуатации: -40°С до +50°С |
|
| |
|
|
Окрас корпуса: порошковая |
|
| |
|
|
|
|
| |
|
|
Функция
АНТИКЛОН |
|
| |
|
|
Функция
«АНТИКЛОН
touch memory
/
proximity
125 кГц»
предназначена для ограничения
несанкционированного доступа в жилые многоквартирные здания и
офисные помещения при использовании заготовок
touch memory,
копированных
по протоколу
DS1990A
и заготовок
брелоков/карт,
proximity
125 кГц, копированных по протоколу
Em-Marine. |
|
| |
|
|
Блокировка заготовок (в том числе с защищённым протоколом записи
и финализированных): |
|
| |
|
|
-
для режима *iButton (DS1990A)*:
RW2004,
RW1990, TM01A,
TM08Vi-2,
TM08Vi-F |
|
| |
|
|
-
для режима *Em-Marine 125 кГц*:
Temic T55*7,
EM4205\EM4305, i57-V2, ОТР,
Н5
/ H5.5 /
H7 / Н8 |
|
| |
|
|
Заводская установка режима *АНТИКЛОН* - *выключено* |
|
| |
|
|
Включение функции *АНТИКЛОН* для режима *iButton
(DS1990A)* и *Em-Marine 125 кГц*
-
программно (установка
параметра <0> в подпрограмме <1> процедуры [P-2-9]). |
|
| |
|
|
|
|
| |
|
|
Функция
АВТОСБОР |
|
| |
|
|
Режим «автосбор»
идентификаторов предназначен для самостоятельного прописывания
ключей (брелоков), находящихся у жильцов, без участия монтажника
(в случае не возможности переставить микросхему памяти с
поврежденного домофона, домофона другого производителя или
использования программатора). Запись нового ключа (брелока), как
и чтение уже прописанного ранее, сопровождается открытием двери
со звуковым сигналом и индикацией. |
|
| |
|
|
Включение функции *АВТОСБОР* -
программно (установка
параметра <0> в подпрограмме <2> процедуры [P-2-9]). |
|
| |
|
|
|
|
| |
|
|
Документация |
|
| |
|
|
|
|
| |
|
|
|
 |
|
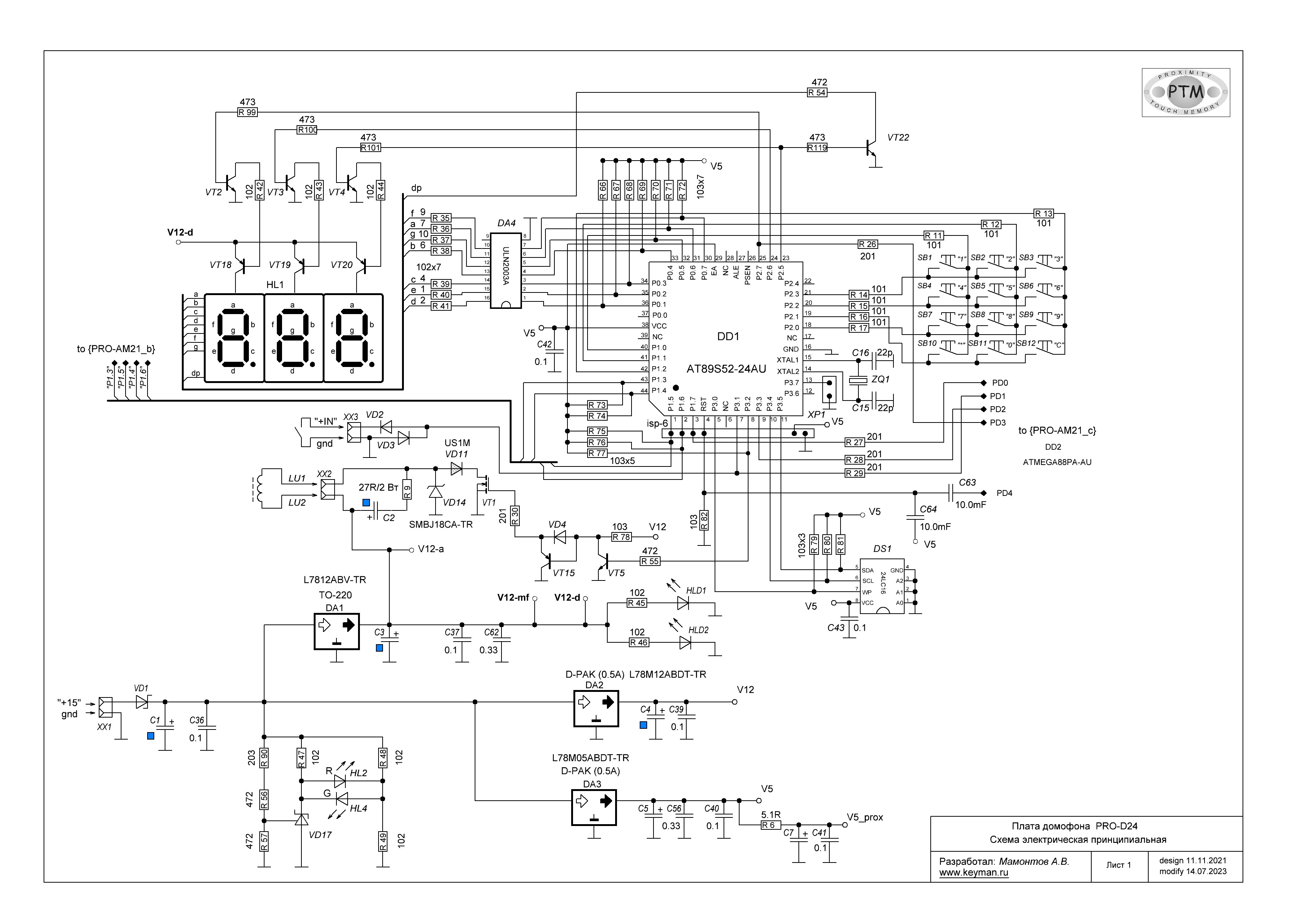
COM1-3AV Keyman |
| Блок
коммутации для домофонов с цифровой
адресацией |
| Технический
паспорт/инструкция по эксплуатации |
|
PDF |
|
|
|
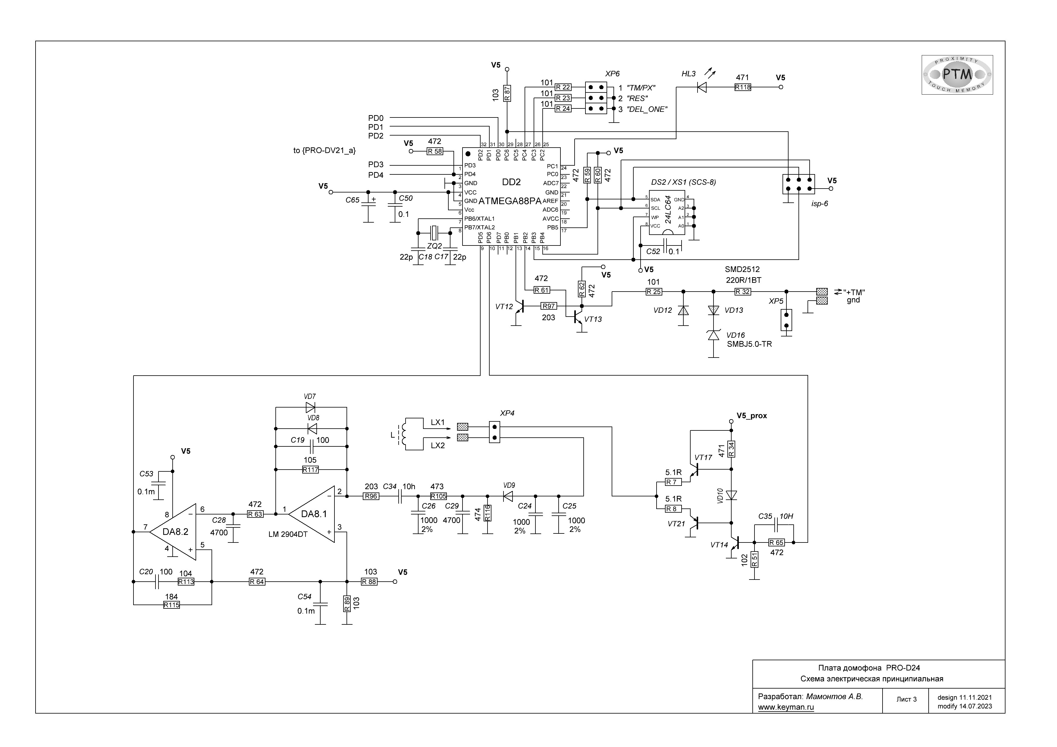
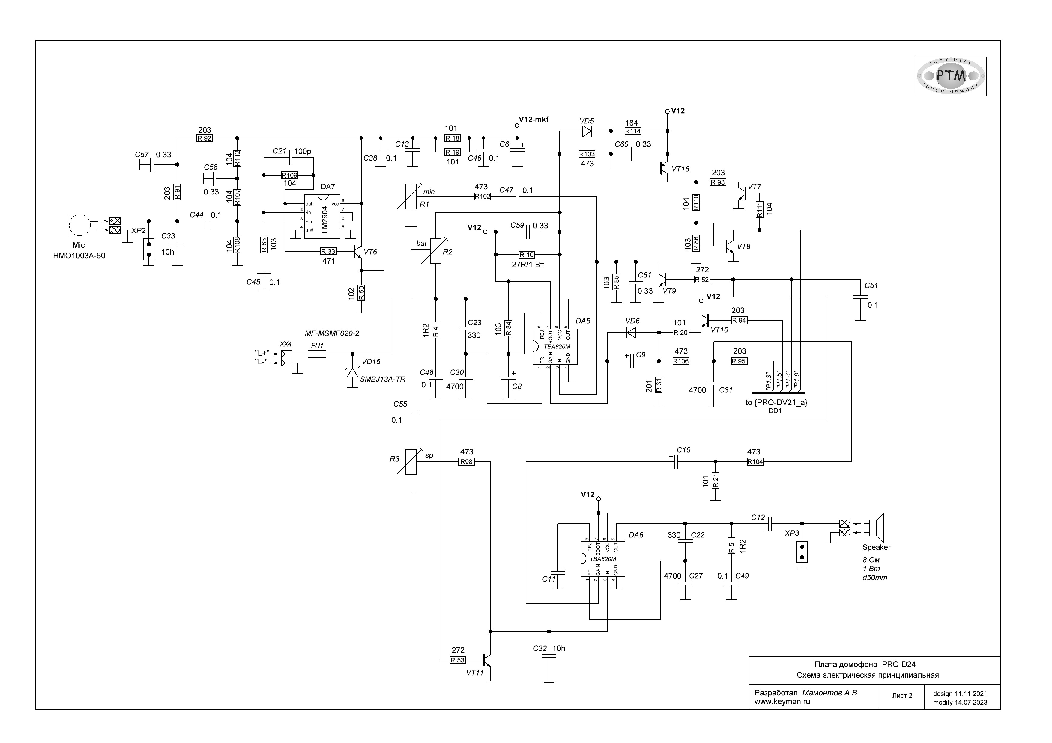
Схема
электрическая принципиальная
PRO-D24_a |
|
Схема
электрическая принципиальная
PRO-D24_b |
|
Схема
электрическая принципиальная
PRO-D24_c |
|
Схема монтажная
платы PRO-D24 |
|
|
|
 |
Руководство по эксплуатации:
домофон PRO/PROV
(Ver. D20) |
PDF |
|
|
|
Схема
электрическая принципиальная
PRO-D23A_a |
|
Схема
электрическая принципиальная
PRO-D23A_b |
|
Схема
электрическая принципиальная
PRO-D23A_c |
|
Схема монтажная
платы PRO-D23A |
|
|
|
 |
|
Дополнение к РЭ "Цифровой домофон
PRO (ver. d18)" |
| ---
функция АНТИКЛОН touch memory
/ proximity 125 кГц |
...АНТИКЛОН |
|
|
---
режим АВТОСБОР |
как
включить режим АВТОСБОР |
|
|
|
|
|
|
Схема
электрическая принципиальная
PRO-D18A_a |
|
Схема
электрическая принципи альная
PRO-D18A_b |
|
Схема
электрическая принципиальная
PRO-D18A_c |
|
Схема монтажная
платы PRO-D18A |
|
|
|
 |
|
Генератор кодовых таблиц
key_tbl.exe (MS-DOS) |
|
Инструкция |
|
|
|
|
| |
|
|
|
|
| |
|
|
Полная документация находится в
библиотеке на
www.keyman.ru |
|
| |
|
|
|
|
| |
|
|
Вопросы и ответы |
|
| |
|
|
|
|
| |
|
|
Вопрос:
фон в режиме разговора и т.п.? |
|
| |
|
|
|
Ответ:
убедитесь, что используется рекомендованный блок питания
RS-25-15 и напряжение на клеммах
электропитания домофона не менее +15.5
В. Использование блоков
питания на +12В, как и на +5В, не гарантирует работу домофона с
требуемыми параметрами. Применение блоков питания более чем на
+18В не рекомендуется. |
| |
|
|
 |
Светодиодная индикация в правом нижнем углу платы |
|
-Электропитание на домофон подано |
| |
|
-Напряжение питания менее +15.5 В |
|
| |
|
|
 |
Светодиодная индикация в правом нижнем углу платы |
|
-Электропитание на домофон подано |
| |
|
-Работа в штатном режиме |
|
| |
|
|
Внимание!
дополнительный
Вопрос:
в дневное время всё работает, вечером может появиться
фон при разговоре... |
|
Ответ:
Необходимо использовать рекомендованный блок питания
RS-25-15 с выставленным напряжением на клеммах
электропитания домофона не менее +15.5
В. |
|
Причина
в 100% случаях одна: на объекте используется
трансформаторный блок питания со слабой (или
отсутствующей) стабилизацией напряжения. В вечернее
время общее напряжение электросети в доме обычно
понижается, что приводит к большому уменьшению
напряжения на клеммах электропитания домофона при
использовании трансформаторного блока питания. |
| |
|
|
|
|
| |
|
|
Вопрос: как включить режим "АВТОСБОР" или
"АНТИКЛОН"? |
|
| |
|
|
Ответ:
протокол включения режимов указан в документации по
эксплуатации. |
|
| |
|
|
|
|
| |
|
|
Вопрос: совместима ли база ключей домофонов
KEYMAN и
POLYLOCK
с базой ключей домофонов ОЛЕВС серии
PRO? |
|
| |
|
|
Ответ: да,
совместима. При замене домофонов KEYMAN
и POLYLOCK на домофон
PRO достаточно переставить микросхему
памяти (24lc32 и выше) на выключенном
оборудовании, соблюдая ориентацию при установке в панельку. |
|
| |
|
|
|
|
| |
|
|
Вопрос:
устанавливаем домофон PRO на подъезд,
где уже стоит автономный контроллер
Z-5R.
Можно ли подключить к домофону контроллер Z-5R, что
бы, не включая режим "АВТОСБОР" на домофоне, сохранить
пользование ключами ТМ с форматом записи z-5r? |
|
| |
|
|
Ответ:
подключить можно,
варианты подключения указаны ниже. Следует помнить, что в
Z-5R режим
"АНТИКЛОН" отсутствует. |
|
| |
|
|
|
|
| |
|
|
|
|
| |
|
|
Вопрос:
как будет работать "родной" считыватель
TouchMemory или Proximity 125
кГц при подключении к домофону PRO
ранее установленного на подъезде контроллера
Z-5R? |
|
| |
|
|
Ответ: работать
"родные" считыватели будут в штатном режиме. Следует помнить,
что при применении домофона PRO со
считывателем touchmemory и
подключённым контроллером Z-5R, их
работа возможна только на раздельные контакторы ТМ. |
|
| |
|
|
|
|
| |
|
|
Вопрос:
Можно ли организовать работу двух домофонов
PRO на один электромагнитный замок? |
|
| |
|
|
Ответ:
да, можно. Оптимальный вариант подключения представлен на
СХЕМЕ. |
|
| |
|
|
|
|
| |
|
|
Вопрос:
Понятно, что можно загрузить новую кодовую таблицу на снятом
домофоне, установив джамперную перемычку рядом с главным
контроллером и введя новый операторский код. А можно ли
загрузить новую кодовую таблицу в домофон не вынимая его из
ванночки? |
|
| |
|
|
Ответ:
да, можно. Для этого необходимо: 1. Установить новый
операторский код (код "нулевой" квартиры в новой таблице кодов)
через процедуру Р-7. Вход в режим программирования далее
будет осуществляться по новому операторскому коду, но таблица
кодов будет действовать прежняя. 2. Выключить питание, включить
питание. Во время 5-ти секундного тестового отсчёта одновременно
нажать и удерживать кнопки <*> + <C>.
Дождаться начала перезагрузки домофона ( на индикаторе в двух
левых разрядах "бегает" квадратик), можно отпустить кнопки и
после последующего 5-ти секундного отсчёта домофон работает в
штатном режиме с загруженной новой кодовой таблицей
соответствующей ранее введённому новому операторскому коду.
Следует учесть, что при этом происходит возврат к заводским
установкам. И если, к примеру, было ранее установлено смещение
для набора номера, то необходимо установить его заново. |
|
| |
|
|
|
|
| |
|
|
Вопрос:
Вопрос по домофонам
KEYMAN.
При подаче команды на открытие двери "залипает" электромагнитный
замок. Что можно сделать? |
|
| |
|
|
Ответ:
домофоны
KEYMAN
производились до 2009 года, так
что срок эксплуатации домофонов этой марки превысил 15 лет, а
может и 20...25 лет. За это время вполне могло произойти
"усыхание" (потеря ёмкости) электролитического конденсатора в
схеме "размагничивания" электромагнитного замка. Могло
произойти, что бывает крайне редко, и "подгорание" резистора в
той же схеме. В основном это касается домофонов произведённых
более 20 лет назад, когда ещё использовались отечественные
электронные компоненты (наследие 90-х годов). Проблема эта
решаема. Можно заменить элементы схемы "размагничивания" на
плате домофона или применить доступную в продаже внешнюю плату
размагничивания в разрыв между домофоном и электромагнитным
замком или попробовать вариант установки
(без демонтажа домофона)
"размагничивающей" RC+ цепочки
параллельно обмотке замка (схема
размагничивания).
|
|
| |
|
|
|
|
| |
|
|
Вопрос:
При вызове квартиры, после снятия трубки и с начала разговора
вместо индикации номера вызываемой квартиры на дисплее
появляется индикация "_ _ _".
Это что значит? |
|
| |
|
|
Ответ:
это штатная работа домофона в соответствии с руководством по
эксплуатации. Функция скрытия номера вызываемой квартиры была
введена по многочисленным просьбам для обеспечения
конфиденциальности разговора. Что особенно важно, когда
вызываемый абонент несовершеннолетний или малолетний ("один
дома"). |
|
| |
|
|
|
|
| |
|
|
Вопрос:
Как подключить существующий контроллер
ML-194.01 к панели домофона PRO-TM
при установке
домофона
PRO-TM
вместо
Rainmann AO-3000 (какие контроллеры замка подключить к
панели)? Условие - использование штатного контактора
домофона
PRO-TM. |
|
| |
|
|
Ответ:
использование контактора домофона PRO-TM
для обеспечения работы контроллеры замка ML 194.01
исключает возможность работы штатного контроллера ТМ
интегрированного в панель домофона. Если достаточно количества
базы пользовательских ключей в количестве 501 шт., то, для того
что бы ЭМ замок отрабатывал и от ключей ТМ и при открывании
двери с трубки, возможны следующие варианты подключения: |
|
| |
|
|
1 Вариант. ЭМ замок остаётся
подключённым к ML -194.01 (можно для подачи питания на
контроллер ML -194.01 использовать ранее установленный БП), а
выход с домофона на ЭМ замок через реле подключается к клеммам
кнопки выхода ML-194.01 имитируя замыкание кнопки. Только время
срабатывания ЭМ замка на домофоне желательно выставить
минимальным 1 сек.т.к. время срабатывания ЭМ замка в данном
случае определяется контроллером ML -194.01. Уточнение: выход с
домофона на ЭМ замок (клеммы ЭМ замок) подключается к обмоткам
реле. На обмотке присутствует в режиме ожидания +12В. Выход реле
НО подключается к входу кнопки выхода на контроллере ML-194.01.
При открытии двери с трубки напряжение с обмотки снимается и
выход реле НЗ (имитирует работу кнопки выхода). При этом тип БП
для самого домофона требуется применять в соответствии с
рекомендациями к эксплуатации домофона. |
|
| |
|
|
2 Вариант. ЭМ замок подключается
к клеммам домофона (если,например, не устраивает работа схемы
размагничивания в контроллере), а выход на ЭМ замок в ML -194.01
через реле подключается к клеммам кнопки выхода домофона
имитируя замыкание. |
|
| |
|
|
В обоих вариантах установленная
на объекте "кнопка выхода" (НО) может быть подключена как к
панели домофона PRO-TM, так и к
контроллеру замка
ML-194.01. |
|
| |
|
|
Вариант №1 и Вариант №2
представлены на
СХЕМЕ |
|
| |
|
|
|
|
| |
|
|
Вопрос:
Можно ли домофон PROV-TM
поставить взамен домофона Лидер-М 1998? Являются ли они
взаимозаменяемыми? |
|
| |
|
|
Ответ:
домофоны Лидер-М производились с 1997 г и имели свою
"оригинальную" систему адресации к абонентским устройствам. В
качестве абонентских устройств брались трубки Vizit для
координатных домофонов, которые дорабатывались путём установки
платы декодера. При этом, что бы трубка работала с домофоном Лидер-М,
её адрес прописывался в память домофона. Такая домофонная
система не получила широкого распространения (с установкой в
основном в Ленинградской и Мурманской области) и имела
ограниченный тираж производства.
При замене домофона Лидер-М на любой другой домофон,
производимый в настоящее время, потребуется демонтаж старых
трубок и установка новых с "цифровой" адресацией (при сохранении
двухпроводной линии связи АУ).
В ответ на Ваш вопрос: Да, домофон PROV-TM можно установить
взамен домофона Лидер-М при условии замены всех трубок на новые
(типа LM-8d) и применении нового блока питания, рекомендованного
для домофонов серии PRO.
И Нет, домофон Лидер-М не является взаимозаменяемым ни с одним
из существующих домофонов с "цифровой" адресацией. |
|
| |
|
|
 |
 |
 |
 |
 |
|
Источник: |
| Лев@MaFrance351 |
|
|
|
| |
|
|
|
|
| |
|
|
Вопрос:Если
запрограммировать коммутатор
COM1-3AV Keyman
на работу в расширенном режиме, то смогут ли с ним
работать домофоны с цифровой адресацией такие как МАРШАЛ,
Raikmann и аналогичные? |
|
| |
|
|
| |
|
Ответ:Да,
смогут. Расширенный режим работы коммутатора
COM1-3AV Keyman
является дополнительным режимом работы и
предназначен для связи с домофоном
PRO производства НЗМИ
ОЛЕВС. Если с домофона PRO
осуществлять набор только номера
квартиры, то его работа ничем не отличается от
работы домофонов других производителей, если при
наборе указать №дома\подъезда\этажа, *, номер
квартиры, то коммутатор автоматически это
распознает и перейдёт в расширенный режим на
время работы с домофоном PRO.
Для того что бы коммутатор мог работать в
расширенном режиме его необходимо предварительно
запрограммировать на определённый номер дома и
используемый диапазон номеров квартир. Всё это
подробно изложено в техническом паспорте на
коммутатор. |
|
Таким образом, домофон PRO
может быть установлен как на "калитку" в
многоквартирном жилом комплексе, так и
непосредственно на подъезд дома. |
|
В случае применения
"гостиничной" нумерации квартир, при работе
домофона PRO c
коммутатором COM1-3AV Keyman
в расширенном режиме, возможен 6-ти
значный набор номера: №этажа (количество от 1 до
128), *, №квартиры (количество от1 до
255). |
|
Нумерация
№дома\подъезда\этажа от 1 до 999. Нумерация
№квартиры от 1 до 999. |
|
|
 |
|
|
| |
|
|
|
|
| |
|
|
Вопрос: что
делать, если в процессе установки домофона или его эксплуатации,
после полного изучения документации и при отсутствии сомнений в
правильности монтажа, возникли вопросы, на которые не были даны
ответы? |
|
| |
|
|
Ответ: вопрос
может быть задан как на адрес электронный почты (желательно) или
по телефону, указанные в
разделе КОНТАКТЫ |
|
| |
|
|
|
|
| |
|
|
Контакты |
|
| |
|
|
|
|
| |
|
|
Внимание!
Мы разрабатываем домофоны с цифровой адресацией
серии PRO. Мы не подключаем к
ним трубки и мониторы в квартирах, не делаем для жильцов
дубликаты ключей и брелков. Для решения этих вопросов
обращайтесь в организацию, обслуживающую Ваш домофон. |
|
| |
|
|
Мы не
ремонтируем Laskomex, Keyman, Polylock,
Маршал, ... Для замены вышедших из строя предлагаем в
таких же монтажных габаритах домофоны
НЗМИ ОЛЕВС
серии
PRO и PROV,
обладающих большей надёжностью и расширенным
функционалом. |
|
| |
|
|
|
|
| |
|
|
e-mail: domofon@yandex.com |
|
| |
|
|
| |
|
|
|
|
|
тел: |
|
 |
|
Алексей
|
|
|
| |
|
|
Режим работы: пн-пт
10:00-17:00 (время московское), сб-вс выходной |
|
| |
|
|
|
|